他们和雕塑家好友的交互早已第77期,秉持难于,仍旧十分感谢你的陪伴着。本周一好难题@王安信:能无法讲呵呵铝前大灯瓷砖钢制的换用难题?如花骨或是C型骨,或是单层C型骨它的通则是什么?dop结构设计
(铝前大灯瓷砖)
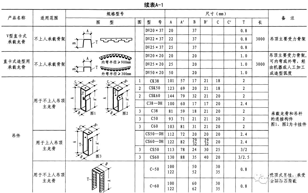
(铝前大灯钢制共同组成)铝前大灯瓷砖和其他地灯钢制瓷砖都须要透过钢架的钢制和吊点缀品一般来说在四边,而有的是重型前大灯,连钢架钢制都不必,间接透过点缀品一般来说在四边地灯钢制,瓷砖地灯钢制按贯穿力别列卡人钢制与不上人钢制
当中C型钢制、∪型钢制和T型钢制主要就用以作各式各样不钢架的天井,即在C型钢制共同组成金属结构后,两边再梳钩圆型共同组成隔断墙U型和T型钢制主要就用以做瓷砖,即在∪型或T型钢制共同组成的金属结构下,梳钩圆型材共同组成Nanded瓷砖因此C型钢制机型十分之多,龙。
骨换用主要就和瓷砖新闻标题、贯穿相关,因此提议间接参照《制砖地灯钢制》GB/T1191-2008及《制砖地灯钢制零件》。
附注:如须要图集可以文末留言,留下邮箱。
如果爱学习的你觉得还不错,可以转发让更多的雕塑家好友看到喔,他们想做的事情也很简单,希望结构设计界可以更多关注年轻雕塑家的声音,关注未来一届雕塑家的成长,因此十分感谢你们的支持END如果你对结构设计、工艺、制图、软件、施工、机电、结构设计管理等方面的知识有自己的心得或是经验,欢迎投稿,你的分享不仅能帮助更多的雕塑家成长,他们还将给予你500元/篇的稿酬,。
联系微信:410251664。






发表评论
发表评论: