宁波市建筑结构设计研究所新大厦 BIM 萨德基结构设计文 / 何卡罗 江桂龙 梁方岭 宁波市建筑结构设计研究所建筑外墙结构设计分所工程项目概况宁波市院新大厦工程项目(图1-3)位于宁波市宁波市萧山区杭中央组织部出【2021】15号地块,东临滨兴
路、西靠江虹路、北接共享路,工程项目为架构润体结构,地上33层、地下3层,总用地占地面积11503㎡、总建筑占地面积97146㎡,外墙最高高度145.7m宁波市院南湖新大厦做为宁波市院今后的办公地点,是院党委紧贴“住房建设局”中心工作和“浙江结构设计”事业高效率发展所做出的战略性决策,是深入贯。
彻该院“二三”发展战略的重要举措,是积极打造出行业高效率发展“重要窗口”。工程项目要求在结构设计质量、工程项目创新方面达至省内典范水平。
图1 临街门廊设计图
图2 工程项目displayed
图3 工程项目Thouarc外墙控制系统类别本工程项目外墙类别包含:敞开式地板外墙、敞开式铝芯聚四氟乙烯外墙、精巧薄壁地板外墙控制系统、碳纤维架构地板外墙、碳纤维前大灯控制系统、地板护栏、金属钢架等,外墙总结构设计占地面积37700㎡B座精巧薄壁地板外墙控制系统。
为打造出透亮大气的室外空间,雕塑家在第三层设置了大五层的大厅,五层7.8mB座2-4层存在塔高的地板箱子造型,跨距9m地板横向五组最大处超过3m,合叶地板占地面积达27m2,地板配置选用12+2.28PVB+12Low-E+16A+12+2.28PVB+12。
双第二层中空地板第三层及地板箱子边线采取钢钢制控制系统,考虑室外感观,与雕塑家沟通后选用菱形精巧薄壁做为地板外墙的钢制控制系统(图4,5)钢控制系统做为外墙钢制的优点在于其承载能力强,灵活多变,可有效减小梁柱横截面尺寸菱形精巧薄壁室外看面宽度较
窄,能够达至室外侧钢金属结构修长的声效,使室外达至柔和的感观另外精巧薄壁超小R角在声效上要达至丰满的层次感门框与门框透过前后大小头的翻转钢制相连件相连,翻转钢制透过螺丝固定至门框上,门框透过布季夫方式与门框相连。
阳角边线选用无门框形式,室外效果透亮明亮。
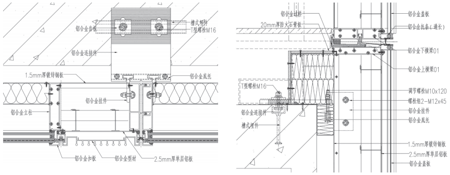
图4、5 B座架构控制系统横剖节点、B座架构控制系统竖剖节点塔楼单元体地板外墙控制系统本工程项目塔楼选用单元体地板外墙控制系统,四个门廊共三套单元体地板外墙控制系统要达至不同的外门廊效果,单元外墙板块在工厂内加工制作,加工精度高,避免现场加工而造成的较大误差,同时安装
速度快、工期短。单元体板块间用型材布季夫,首先在主体结构上预埋槽式埋件,透过型材横截面结构设计做到插件构造,布季夫边线透过三道胶形成前后两个等压腔。等压腔的存在能避免产生内外压差使雨水渗入(图6,7)。
图6、7:塔楼单元体外墙横剖节点、塔楼单元体外墙竖剖节点单元体与结构间的相连选用挂接首先在主体结构上预埋槽式埋件,再透过T形螺栓与八字孔齿板将碳纤维齿形相连板与槽式埋件相连单元体透过碳纤维挂件挂至相连板槽口中。
在本控制系统的挂接构造中,单元体的左右调节透过槽式埋件的横向槽进行,另外八字孔齿板与碳纤维相连板咬合的横向相对边线调整造成的八字孔与长圆孔的交点的前后移动能调节单元体的内外误差上下调节透过单元体挂件与底托调节螺栓进行。
本工程项目的三轴调节边线均在顶部,调节方式简单方便,齿板与螺栓的调整具有可控、调整过程线性可靠的特点。在完成面受限的情况下优势尤为明显(图8-11)。
图8、9:相连构造 X 轴调节方式、相连构造 Y 轴调节方式
图10、11:相连构造 Z 轴调节方式、相连构造调节到位塔楼敞开式铝芯聚四氟乙烯外墙本工程项目B座东西门廊及塔楼东西门廊两侧使用4mm铝波纹芯聚四氟乙烯饰面标准五组为1450mm×4200mm,最大五组高度4800mm。
,短边保证1500mm以内,保证了门廊效果与板材价格间的平衡板材选用开放式做法,门廊开缝为16mm(图12)相邻板材透过碳纤维副框布季夫的方式进行固定,消耗安装误差与热胀冷缩带来的板面变形,保证了门廊的平整性(图。
13)。选用两道防水,在外墙保温层外侧设置防水透气膜,并在钢钢制外侧设置防水镀锌钢制。
图12、13:敞开式铝波纹芯聚四氟乙烯控制系统横剖节点、敞开式铝波纹芯聚四氟乙烯控制系统竖剖节点防水透气膜的使用能够加快施工进度,另外其抗老化、抗氧化、耐高温性的特性显著,具有良好韧性,同时还能达至B1级防火材料的性能要求。
B座金属板钢架本工程项目B座主入口钢架厚400mm(图14),悬挑3.55m,总长达68.5m根据雕塑家要求,严格控制钢架厚度,前后口的厚度差需要尽量减小该边线为大厦的主入口,为避免雨水在钢架前口自由落下,不考虑设。
置外坡,而是选用集中排水的方式从室外雨水管排走雨水但外口厚度仅为400mm,考虑排水坡度与悬挑距离,钢架根部厚度将无法满足结构构造要求,因此选用双坡的做法,将水槽设置在钢架悬挑方向的中部边线,两侧设置反坡向水槽引水,水管透过主钢制间的间。
隙伸入室外集中排放。考虑到悬挑内置排水管的坡度和悬挑钢制的大小,主钢制选用大小横截面中部转接的方式进行处理(图15,16)。钢制选用热镀锌钢,板材选用4mm厚铝波纹芯聚四氟乙烯。
图14 主入口边线钢架
图15、16 主入口钢架竖剖节点 1、主入口钢架竖剖节点 2BIM萨德基结构设计技术探索应用本工程项目在结构设计阶段积极使用BIM技术进行萨德基结构设计,透过BIM技术在外墙结构设计阶段进行了创新性应用,为结构设计阶段的结构设计完整性、超前性、创新性做出了
贡献参数化结构设计参数化结构设计主要体现在参数化控制、快速响应、减少重复性工作、加强工作间流程的有效相连透过参数的调整获得与此相关联的工作结果的相应变化,工作成果包括图纸、数据、模型等工程项目前期阶段透过Rhino软件与Grasshopper插件的配合,对门廊五组进。
行调整(图17,18),分析由此达至的门廊效果、造价等指标,与雕塑家一同在工程项目方案阶段敲定对门廊的五组,便于开展下一步工作。
图17、18 五组调整模型、参数化调整五组可视化工作结构设计初期阶段透过BIM模型的可视化结构设计配合实时渲染软件enscape进行有效直观的方案比对,能直观表达雕塑家的结构设计意图,快速反映建筑效果,对方案的比选确定有积极意义,如图19-21为工程项目前期主入
口的门头效果对比。
图19-21主入口门头调整方案1、主入口门头调整方案2、主入口门头调整方案3快速概算在工程项目结构设计的概算过程中,人工计算存在耗时长及精准度低的问题,难以保证计算的精准性概算的计算偏差有时会让业主对工程项目投资的情况估计错误,造。
成后期不必要的损失根据现阶段的工作痛点,我们结合定额计算的逻辑,透过Rhino模型结合GH的电池组模块化计算达至又快又准地得到当前方案主材使用量的目的工程项目结构设计阶段对透过参数化结构设计已获得的门廊五组和策划敲定的标准做法进行整合,透过模块化。
计算快速反映工程量,并透过组价得到工程概算,原理如图22。
图22 快速概算原理图步骤阐述:1)模型拆分,以本工程项目单元体为例,按单元体控制系统拆分,将同类别的布置面进行归集;2)获得单元体五组,确定单元体的竖向五组与横向五组并封面;3)透过自编GH电池组模块一,将封面后的
单元体布置面做为输入条件,并调整内部五组参数及类别,输出单元体内部各梁柱布置线和各分块面(图23);4)透过自编GH电池组模块二,将横截面、材料、线型修正信息输入其中,得到质量、用量属性信息(图24);5
)透过模块三汇总用量信息(图25),得出结果之后结合市场价及定额进行组价(表1)。
图23 模块一运行图
图24、25 模块二(型材与板材处理)、模块三(主材用量)
表1 建筑工程概预算使用该方法进行前期概算工程量的统计有以下几个优点:1)能避免透过手算获得同类控制系统不同五组板块情况下的主材含量只需区分控制系统做法,不区分五组大小,速度更快、精度更高,在五组多样的门廊当中有很好。
的适配性;2)在模块一前嵌入五组控制模块,便可以在方案推敲阶段对五组进行参数化调整,并能够快速得出工程量和概算,方便比对各个方案的造价对比;3)可以透过模块一进行内部五组的布置,不同分布类别选择不同电池。
调整五组布置参数能够迅速得到直观的五组效果,另外在模块一之后可以接入图形绘制模块,快速生成体块模型,方便前期观察效果;4)相对于绘制梁柱实体梁柱模型计算工程的方法,该种做法占用内存小、形式灵活、运算速度快、在工程项目前期有更好的适应度。
光环境分析2022年4月1日起实施的《建筑环境通用规范》GB55016-2021明确了建筑需要进行光环境分析的范围,3.2.8条规定在居住建筑、医院、中小学校、幼儿园周边区域以及主干道路口、交通流量大的区域设置玻
璃外墙应进行地板外墙的反射光影响分析本工程项目位于主干道路口,且工程项目周边存在多个住宅,因此需要进行外墙的光反射分析透过光环境分析软件进行分析,反映外墙门廊地板对周边建筑物、道路等影响情况可对模型的各部位材质进行区分计算,得出结果。
本工程项目透过Rhino方案模型直接导入GWLE2020计算软件进行光环境分析,在结构设计流程上做到了无缝对接(图26,表2)。
图26 光环境分析计算
表2 周边住宅影响分析结果Revit深化出图方案与节点做法确定后,选用Revit进行萨德基出图结构设计,我们透过Revit做到轻量化萨德基出图选用三维族嵌套二维注释族的做法,透过三维模型表达占位情况,解决碰撞问题,同时透过二维图元在三维图元。
内部的映射关系,加以显隐性的控制,来达至图纸的表达效果(图27-32)。
图27-30 外墙模型、建筑模型、结构模型、管线模型
图31 Revit 平面出图
图32 Revit 门廊出图本工程项目的Revit做法步骤如下:1)选用外墙专业出图模板,透过工程项目前期Rhino的方案表皮导入至Revit建立表皮或者在Revit中根据结构设计条件直接建立外墙表皮并添加五组;2
)在企业族库中选取相应族,如特定类别单元体嵌板族、架构地板外墙族、铝板外墙族、石材外墙族等针对此工程项目的节点做法进行相应修改,并在图元中嵌套二维注释族,增加图形控制参数与显隐参数;3)将嵌板族布置至表皮中相应。
边线,并添加必要实例参数;4)对收边收口节点族深化,并加载至外墙模型;5)建立平立剖面图纸,增加部分二维图元和图例,添加标注;6)加载外墙专业图层设置配置文件,输出图纸至CAD中微调透过Revit进行施工图结构设计的方式,能有效减小模。
型的大小,保证运行流畅度,透过服务器与其他专业同时工作,在工程项目深化中及时解决与其他专业的碰撞与问题,并透过文字形式记录以便于后期查询和反思,将结构设计问题在结构设计阶段解决,避免图纸问题遗留至施工阶段相比传统施工图结构设计方式,本工程项目的模式有效传递。
了前期结构设计的思路,并做到了图模一致、有效联动,方便后期修改同时结构设计模型也可延用于施工阶段,提供了信息的有效传递载体,指导后期工程项目施工单元体拼装模拟、三维预拼装、三维安装在Revit模型中,本工程项目只表达了梁柱占位,并未。
检查节点做法,因此在工程项目中对各控制系统节点透过三维建模对构造进行验证和推敲以单元体控制系统为例,本工程项目共有三个地板外墙单元体控制系统,逐一进行三维模型绘制,并进行拼装模拟,检查节点图纸的正确性(图33,34),并透过建立模型优化节点做法。
将节点做法的问题提前解决,避免在施工过程中再发现问题而造成损失。同时,对施工挂接做法进行模拟,优化做法,模拟现场施工安装步骤,避免后期施工单位的改动(图35)。
图33-35 公门框与母门框拼接、前大灯型材切角、板块间布季夫检验工程项目信息建设单位:宁波市建筑结构设计研究所建筑结构设计单位:宁波市建筑结构设计研究所建筑结构设计负责人:裘云丹、张健君外墙结构设计团队:宁波市建筑结构设计研究所建筑外墙结构设计分所
外墙结构设计成员:梁方岭、杨凤玲、江桂龙、何卡罗、梁方杰、郭琳、陈邵楠建筑占地面积:88962m2竣工时间:2025年(预计)- END -本文节选自《建筑外墙》杂志总第16期,长按下图识别二维码即可购买
注:本文系原创,已刊登在《建筑外墙》杂志中。如需转载请务必将以下图片贴到微信正文,否则视为侵权。
/近 期 活 动 /
/欢迎加入中国建筑学会个人会员/
/中国建筑学会建筑外墙学术委员会/中国建筑学会建筑外墙学术委员会隶属于中国建筑学会,成立于2016年9月,秘书处设在《建筑技艺》《建筑外墙》杂志社理事长由中国建设科技集团股份有限公司董事长文兵担任,秘书长由亚太建设科技信息研究所有限公司董事长。
王学东担任目前委员会共有理事成员81位,由行业内知名外墙结构设计、施工、材料等企业负责人担任委员会以《建筑外墙》杂志和“建筑外墙”微信公众号(bcwjournal)做为载体,每年组织多场高水平学术活动,2018、2020年成功组织。
中国建筑学会建筑结构设计奖·外墙技术奖的申报和初评工作因工作业绩突出,委员会获评中国建筑学会2018、2021年度优秀二级组织2019年成功申请获批了CECS《建筑外墙结构设计标准》,目前该标准已透过报批,等待出版。
推荐会员:中国建筑学会建筑外墙学术委员会继续面向行业征集有实力的企业推荐成为会员,有意者可致电咨询秘书处:18701529806/关 于 《 建 筑 幕 墙 》/《建筑外墙》创办于2015年,主要读者对象为外墙工程师、雕塑家、地产商等。
主要刊登国内外建筑外墙的结构设计、研究、建造及新材料和新技术应用方面的论文,每年出版2期,随《建筑技艺》免费赠送读者联系电话:010-57368779。长按二维码可快速关注"BCW建筑外墙"微信
欢 迎 订 阅 《 建 筑 外墙 》 杂 志 《建筑外墙》杂志2015年-2022年共出版16期,详细目录可点击下方“阅读原文”查看《建筑技艺》(月刊)2023年定价为45元/本,邮费3元/本,全年576元,可从全国各地邮局订阅,邮发代号82-680。
非《建筑技艺》订户但希望得到《建筑外墙》的同志须支付邮寄费30元/本,长按识别下方二维码进入“建筑技艺小商店”即可订阅咨询电话:010-88375434长按识别下方二维码直接微信订阅《建筑技艺》《建筑外墙》
杂志





发表评论
发表评论: